
2025-12-10
Серия CC622XX — это низковольтный, сверхмаломощный датчик Холла с высокочувствительным датчиком магнитного поля. Эта серия микросхем предлагает широкий выбор порогов магнитного поля, частот переключения и вариантов корпусов для различных применений. Разработанная для систем с ограниченным пространством и чувствительных к аккумуляторам, она особенно подходит для портативных электронных устройств с питанием от аккумуляторов, таких как мобильные телефоны, беспроводные телефоны, ноутбуки и КПК.
Внутренние функции включают : 1) встроенный датчик Холла, 2) схему динамической компенсации смещения, 3) схему температурной компенсации, схему тактовой логики и т.д., обеспечивающие стабильность рабочей точки и частоты переключения микросхемы. Микросхема обеспечивает стабильную реакцию на магнитное поле при чрезвычайно низком потреблении тока.
Преимущества продукта и ключевые особенности
●Широкий диапазон рабочего напряжения: 1,3 ~ 5,5 В
●Низкое энергопотребление
Омниполярная версия 5 Гц: 0,23 мкА при 1,5 В
Омниполярная версия 160 Гц: 2,7 мкА при 1,5 В
●Выбираемый порог магнитного поля (BOP):
40G
30G
●Хорошая температурная стабильность
●Диапазон рабочих температур: -40 ~ 85°C
●ESD (HBM) 8 кВ, ESD (CDM) 1 кВ, LU 200 мА
●Корпуса малого форм-фактора SOT23-3 и TO-92S
Сценарии применения
●Приборы и счетчики, интеллектуальные счетчики
●КПК
●Ноутбуки, планшеты
●смартфоны
●Бытовая техника
●Бесконтактное обнаружение, пульсоксиметр
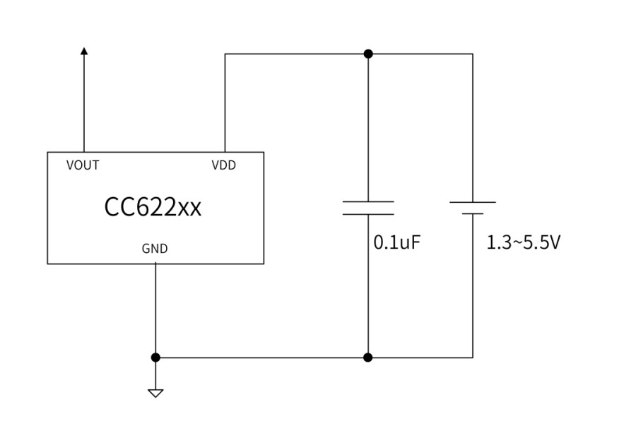
Типичные схемы применения
измеренные данные
1.Обладает хорошей температурной стабильностью.
B против TA (CC62201)
2.Широкий диапазон рабочего напряжения: 1,3 ~ 5,5 В
B против VDD (CC62201)
3.Сверхнизкое энергопотребление, потребляющее всего 230 нА тока при напряжении 1,5 В.
IDD(AVG) против TA
Таблица выбора выключателей Холла сверхнизкого энергопотребления